1、絲桿前后往復運動;
2、最大推力900N;
3、簡化結構設計,降低結構成本;
4、機身長度、絲桿長度、導程可根據客戶要求定制;
5、應用于醫療設備、半導體設備、閥門控制、X-Y工作臺、手持式儀器或任何需要精確直線運動的地方。
15817488109
命名規則:
24C5550H1-X-□□□
規格 | 說明 |
24 | 電機外徑:60mm |
C | 電機類型:固定軸式 |
55 | 機身長度:55mm |
50 | 額定電流:5.0A |
H1 | 絲桿代碼 |
X | 配件代碼:E1(1000線編碼器)、E2(2000線編碼器)、 B(剎車)、C(一體式) |
□ | 絲桿長度:□mm |
□□□ | 絲桿端部加工定制表:G光軸、A一字槽、M內螺紋 |
電機參數:
產品型號 | 電壓 | 額定 電流 | 保持 力矩 | 機身長 | 推薦 驅動器 |
24C5550H1-X-□□□ | 2.1V | 5A | 1.5N.m | 55mm | 脈沖型:ISD880 |
24C7550H1-X-□□□ | 2.9V | 5A | 2.5N.m | 75mm |
漢德保電機可根據客戶要求定制:繞線參數、出線方式。
漢德保其他類型驅動器有:功能型(開關型、模擬量型)、總線型(RS485、CANopen、EtherCAT等)
絲桿參數:
產品型號 | 絲桿直徑(mm) | 導程(mm) | 步長(mm) | 斷電自鎖力(N) |
H2 | 9.525 | 1.27 | 0.00635 | 800 |
H5 | 2.54 | 0.0127 | 300 | |
H8 | 5.08 | 0.0254 | 90 | |
H11 | 10.16 | 0.0508 | 30 | |
H13 | 25.4 | 0.127 | 6 |
請注意:其他絲桿直徑、導程可根據客戶要求定制。
編碼器性能參數
編碼器解析度 | 1000線、2000線可選 |
工作溫度 | -20℃-85℃ |
儲藏溫度 | -40℃-85℃ |
濕度 | RH90%max,非冷凝環境 |
供電電壓 | 4.5-5.5V |
電流消耗 | 30mA |
極限頻率 | 60KHz |
極限速度 | 3600r/min |
脈沖寬度 | 180±30° |
相位偏移 | 90±18°e |
最大輸出電流 | 150mA |
信號電平 | 低0V;高+3.5V 無負載,+3V有負載 |

請注意:
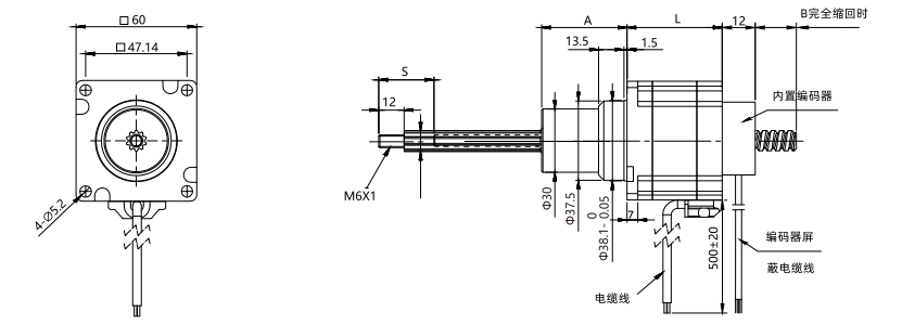
1、絲桿長度及端部加工可按照客戶要求定制;
2、T型絲桿表面可做PTFE涂覆處理;
安裝方法:
1、請盡量考慮散熱線、防止振動的問題,將電機牢牢地固定在強韌的金屬面上。
2、務必用電機前端蓋的安裝凸臺定位,并注意公差配合,嚴格保證電機輸出軸與負載的同心度。
上一款產品:60mm固定軸直線絲桿步進電機
下一款產品:60mm電動缸直線絲桿閉環步進電機